logo

Cabo de controlo mecânico vermelho com ligação de cabo de garfo e faixa de temperatura de menos 40°C a 80°C Adequado para trabalho pesado

Cabo de controlo mecânico vermelho com ligação de cabo de garfo e faixa de temperatura de menos 40°C a 80°C Adequado para trabalho pesado
Características Galeria Descrição de produto Peça umas citações
Características
Especificações
Features: Custom Engineered Assembly
Color: Green,Black,Red
Port: Shanghai
Inner Cable: Multi-strand High-tensile Steel
Package: Wood Case / Carton / Bubble Film
Bus Model: China
Materia: As Per Requirements
Innermember: Nylon-covered Stainless Steel
Destacar:

Cabo de comando mecânico vermelho com ligação de garfo

,

Cabos de comando mecânico pesados

,

Cabos de controlo mecânico resistentes à temperatura

Informação básica
Marca: PHIDIX
Model Number: Mechanical Control Cable
Condições de Pagamento e Envio
Descrição de produto

Descrição do produto:

O cabo de controlo mecânico é uma solução altamente fiável e versátil concebida para uma ampla gama de aplicações industriais e comerciais.Este cabo oferece desempenho excepcional mesmo em ambientes desafiadores.Com um intervalo de temperatura típico de -65°F a 230°F, garante uma operação consistente em condições de frio extremo e alta temperatura,tornando-o ideal para utilização em climas diversos e ambientes exigentes.

Um dos atributos destacados deste cabo de controlo mecânico é a sua montagem personalizada.permitir soluções personalizadas que atendam às necessidades operacionais únicasQuer você precise de um comprimento, resistência ou configuração particular, este cabo pode ser projetado sob medida para fornecer funcionalidade e eficiência ideais.Esta abordagem de engenharia personalizada garante que o cabo funcione sem falhas em sua aplicação pretendida, minimizando o tempo de inatividade e aumentando a fiabilidade global do sistema.

A parte interna do cabo é feita de aço inoxidável revestido de nylon, que combina a resistência e resistência à corrosão do aço inoxidável com as qualidades de proteção do nylon.Este projeto oferece durabilidade superiorO revestimento de nylon não só protege o núcleo de aço inoxidável de danos ambientais, mas também reduz o atrito,assegurar um movimento mecânico suave e eficienteIsto torna o cabo especialmente adequado para aplicações que exigem movimento frequente ou contínuo, como em sistemas mecânicos de cabos de tração.

A codificação de cores é outra característica importante deste cabo de controle mecânico, disponível em verde, preto e vermelho.Essas opções de cores ajudam na fácil identificação e organização dentro de sistemas mecânicos complexos, reduzindo os erros de instalação e simplificando os processos de manutenção.assegurar a clareza visual a longo prazo.

Fabricado em conformidade com os padrões do modelo de autocarro na China, este cabo de controlo mecânico adere a medidas rigorosas de controlo de qualidade e a referências do setor.O compromisso com a qualidade garante que cada cabo ofereça um desempenho consistenteOs clientes podem confiar que o seu investimento neste produto proporcionará valor duradouro e atenderá ou excederá as expectativas operacionais.

Concebido como um cabo de tração mecânico, este produto se destaca na transmissão de força mecânica a uma distância, tornando-se um componente essencial em vários mecanismos de controlo.Máquinas industriais, equipamento marítimo ou outros sistemas mecânicos, o cabo de controlo mecânico proporciona um controlo preciso e uma capacidade de resposta.Sua construção robusta e engenharia personalizada tornam-na adaptável a uma ampla gama de aplicações, aumentando a eficiência e eficácia globais das operações mecânicas.

Em resumo, o cabo de controlo mecânico destaca-se como uma escolha premium para quem necessita de um cabo de controlo durável, fiável e personalizável.Montagem de engenharia personalizada, o interior de aço inoxidável revestido de nylon e as opções de cores vibrantes tornam-no uma solução versátil e confiável.Este cabo foi projetado para oferecer excelente desempenho em vários ambientes exigentesSeja usado como um cabo de tração mecânico ou em outras aplicações de controle, fornece a resistência, flexibilidade e precisão necessárias para otimizar efetivamente os sistemas de controle mecânico.


Características:

  • Nome do produto: Cabo de controlo mecânico
  • Apto para aplicações de controlo mecânico da tração
  • Opções de embalagem: Caixa de madeira, Caixa de cartão, Película de bolhas
  • Tipos de ligação de cabos disponíveis: articulação de esferas, garfo, ponta de vara, etc.
  • Membro interno construído com aço inoxidável revestido de nylon para maior durabilidade
  • Cores disponíveis: Verde, Preto, Vermelho
  • Porto de embarque: Xangai
  • Cabos de controlo mecânico de alta qualidade concebidos para um desempenho fiável

Parâmetros técnicos:

Porto Xangai
OEM - Sim, sim.
Cabos internos Aço de alta resistência a tração de múltiplos fios
Características Montagem de engenharia personalizada
Intervalo de temperatura -40°C a 80°C
Intervalo de temperatura típico - 65°F 230°F
Conexão por cabo Junta de bolas, garfo, ponta de vara, etc.
Pacote Caixa de madeira / Caixa de cartão / Película de bolhas
Tamanho OEM Tamanho padrão ou personalizado
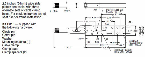
Radius de curvatura instalado Baixo para 5"

Aplicações:

O cabo de controlo mecânico PHIDIX é uma solução versátil e fiável concebida para satisfazer as exigências de várias aplicações de controlo mecânico.Fabricados com um cabo interno de aço de alta resistência, este cabo garante uma resistência e durabilidade excepcionais, tornando-o ideal para operações de puxagem de controle mecânico precisas e consistentes.O cabo de controlo mecânico PHIDIX pode ser adaptado a requisitos específicos, proporcionando flexibilidade para uma ampla gama de utilizações.

Uma das características destacadas do cabo de controle mecânico PHIDIX é sua capacidade de operar de forma eficiente dentro de uma faixa de temperatura típica de -65°F a 230°F.Esta impressionante tolerância térmica permite que ele funcione com confiança em ambientes extremosA construção robusta do cabo é complementada por uma selecção de ligações de cabo, incluindo opções de junta de esferas, garfo e ponta de vara,permitindo métodos de fixação seguros e adaptáveis adequados a diversos sistemas mecânicos.

Disponível em cores vibrantes como verde, preto e vermelho,O cabo de comando mecânico PHIDIX não só proporciona benefícios funcionais, mas também melhora a identificação visual e a segurança durante a instalação e manutençãoA sua aplicação abrange inúmeras indústrias, incluindo automóveis, aeroespacial, marítimo e máquinas industriais, onde o controlo de corda mecânica precisa é crucial.,Se o seu dispositivo estiver ligado a um travão, ou a outras ligações mecânicas, este cabo proporciona um desempenho suave e sensível.

O cabo de controlo mecânico de cordas PHIDIX excelle em cenários que exigem uma ação mecânica fiável e precisa.e construções personalizadas de veículos, onde soluções robustas de controlo mecânico de cordas são essenciais para a eficiência e segurança operacionais.Seu tamanho personalizável e opções de conexão tornam-no adequado para projetos de engenharia inovadores e aplicações de modernização.

Em resumo, o cabo de controlo mecânico PHIDIX destaca-se como uma escolha de alto desempenho para as necessidades de puxagem de controlo mecânico e controlo de corda mecânica.tolerância à temperatura elevada, acessórios personalizáveis e variedade de opções de cores tornam-no um componente indispensável em diversos cenários exigentes, garantindo um controlo mecânico fiável em diversas condições de funcionamento.


Personalização:

Na PHIDIX, oferecemos serviços completos de personalização de produtos para o nosso cabo de controlo mecânico, concebido para atender às suas necessidades específicas.Nossas soluções de cabo de puxa mecânica incluem várias opções de conexão de cabo, como Ball Joint, garfo, Rod End, e mais, garantindo compatibilidade e facilidade de instalação.

Nós fornecemos os cabos de controle de puxa mecânica em tamanho padrão OEM ou dimensões personalizadas para se adequar perfeitamente à sua aplicação.Fabricado utilizando materiais selecionados de acordo com as suas necessidades para garantir durabilidade e desempenho.

O nosso cabo de controlo mecânico é construído para suportar uma gama de temperaturas típica de -65°F a 230°F, tornando-o adequado para diversos ambientes de funcionamento.- Cable de puxa mecânica de alta qualidade personalizado para as suas especificações exatas.


Apoio e Serviços:

Os nossos cabos de controlo mecânico foram concebidos para fornecer um controlo preciso e fiável para uma ampla gama de sistemas mecânicos.Siga as instruções de instalação e manutenção fornecidas no manual do produto.

Para a instalação, certifique-se de que o encaminhamento do cabo está livre de curvas e dobras afiadas e de que o cabo está devidamente lubrificado, se necessário.Evitar a exposição a ambientes corrosivos, a menos que o cabo seja especificado para tais condições.

Recomenda-se inspecionar regularmente o cabo para detectar sinais de desgaste, corrosão ou danos.

Nossa equipe de suporte técnico está disponível para ajudar com solução de problemas, aconselhamento de instalação e especificações do produto para ajudá-lo a selecionar o cabo certo para sua aplicação.

Também oferecemos soluções de cabos personalizadas e serviços de reparação para atender às suas necessidades específicas de controle mecânico.

Antes da utilização, consulte a documentação detalhada do produto e as instruções de segurança para assegurar o funcionamento seguro e eficaz dos cabos de comando mecânico.


Perguntas frequentes:

P1: Para que aplicações é adequado o cabo de controlo mecânico PHIDIX?

R1: O cabo de controlo mecânico PHIDIX é ideal para várias aplicações, incluindo máquinas automotivas, marítimas, industriais e equipamentos agrícolas, onde é necessário um controlo mecânico preciso.

Q2: Que materiais são utilizados na construção do cabo de controlo mecânico PHIDIX?

A2: O cabo de controlo mecânico PHIDIX apresenta núcleos de arame de aço de alta qualidade com revestimentos exteriores duráveis feitos de materiais resistentes à corrosão para garantir a longevidade e o desempenho fiável.

P3: Como posso determinar o comprimento correto do cabo de controlo mecânico PHIDIX para a minha aplicação?

A3: Para determinar o comprimento correto do cabo, medir a distância total entre a alavanca de comando e o componente acionado, incluindo eventuais curvas ou vias de roteamento.A PHIDIX também oferece opções de comprimento personalizadas para requisitos específicos.

P4: É fácil instalar o cabo de controlo mecânico PHIDIX?

R4: Sim, o cabo de controlo mecânico PHIDIX foi concebido para ser facilmente instalado com acessórios normalizados compatíveis com a maioria dos sistemas de controlo.As instruções de instalação são fornecidas para auxiliar na instalação adequada.

P5: O cabo de controlo mecânico PHIDIX pode funcionar de forma eficiente em ambientes adversos?

O cabo de controlo mecânico PHIDIX foi concebido para suportar condições ambientais adversas, como humidade, poeira e flutuações de temperatura.que o tornam adequado para aplicações industriais e externas exigentes.


Produtos recomendados
Entre em contato conosco
Pessoa de Contato : Ms. lisa
Telefone : 13816744282
Fax : 86-021-37214610
Caracteres restantes(20/3000)